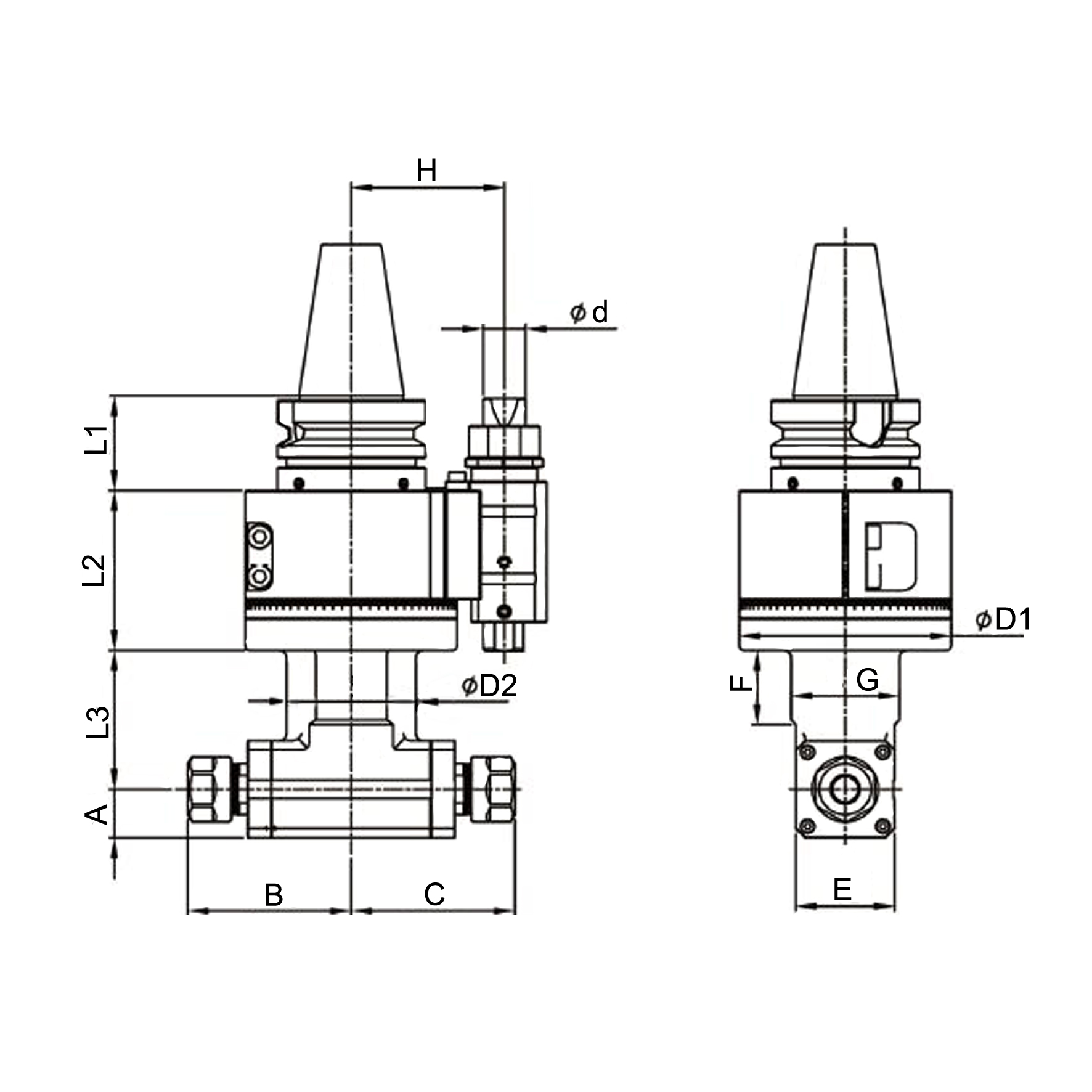
The Compact design include Steel body, Gears, Bearings, Graduated ring, Universal flange, etc. Treated steel body with 360 degrees position and internal air pressure, maximum rigidity and corrosion resistant contact ball bearings. High-precision bevel geras with heated treatment.


Phone: 0086-18615009310
Tel: 0086-535-6266178
Email: felixtools@fmore-ma.com
Add: Yantai City,Shandong Province,P.R.China 264000