3 Jaw Throu-hole Hydraulic Power Chuck
Front-mounted 3-jaw Pneumatic Chuck
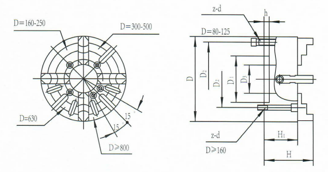
3-Jaw Plain Back Self-centring Chuck
4-Jaw Plain Back Independent Chuck
Phone: 0086-18615009310
Tel: 0086-535-6266178
Email: felixtools@fmore-ma.com
Add: Yantai City,Shandong Province,P.R.China 264000